Определение и особенности.
Распределительная электрическая цепь (distribution circuit) — это электрическая цепь, предназначенная для питания электроэнергией низковольтного распределительного устройства электроустановки здания (определение согласно СП 437.1325800.2018). В некоторой нормативной документации вместо корректного термина «распределительная электрическая цепь» до сих пор необоснованно используют термины «распределительная сеть» или «распределительная электрическая сеть».
Согласно исследования нормативной документации, которое провел Харечко Ю.В. [2] следует, что:
« Термин «распределительная электрическая сеть» следует использовать в национальной нормативной и правовой документации для идентификации совокупности низковольтных электроэнергетических установок, к которым подключают электроустановки зданий, а термин «распределительная электрическая цепь» – для идентификации тех частей электроустановок зданий, которые применяют для обеспечения электрической энергией ее низковольтных распределительных устройств. »
[2]
Другими словами, термином «распределительная электрическая цепь» идентифицируют те электрические цепи, посредством которых осуществляют обеспечение электроэнергией отдельных частей электроустановки здания. К распределительным электрическим цепям обычно подключают низковольтные распределительные устройства, предназначенные для распределения электрической энергии между конечными электрическими цепями, которые монтируют в этих частях здания.
Примеры.
Харечко Ю.В. в своей книге [2] приводит примеры того, что относят к распределительным электрическим цепям:
« В электроустановке многоквартирного жилого здания к распределительным электрическим цепям относят электрические стояки, которые соединяют этажные распределительные щитки с вводно-распределительным устройством или с главным распределительным щитом. Если в электроустановках квартир применяют квартирные щитки (КЩ), то электрические цепи, посредством которых их соединяют с ЭРЩ, относят к распределительным электрическим цепям. Поскольку в электроустановке многоквартирного жилого здания применяют другие низковольтные распределительные устройства, электрические цепи, соединяющие их с ВРУ и ГРЩ, также являются распределительными электрическими цепями. »
[2]
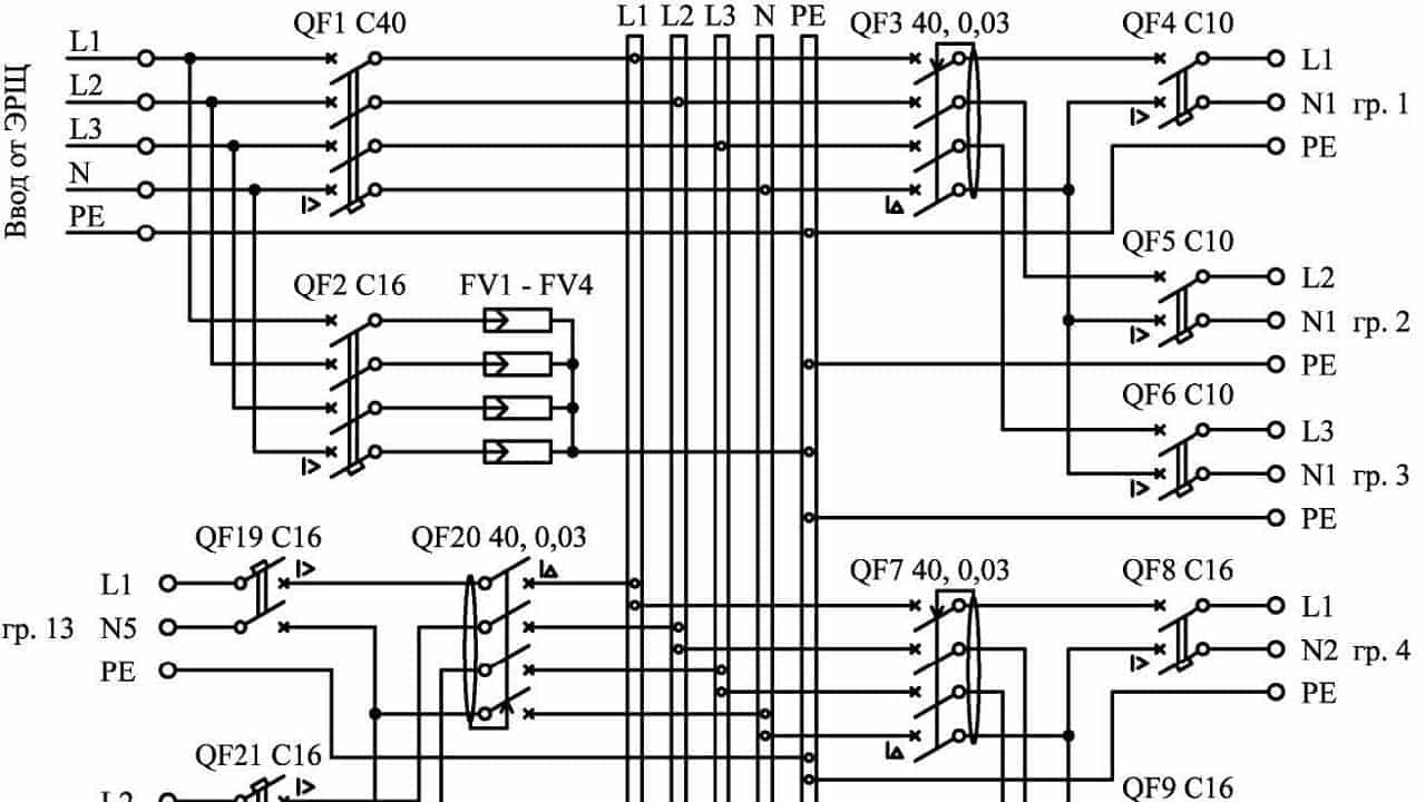
На рисунке 1, в качестве примера, показана часть принципиальной схемы трехфазного КЩ. Вверху слева есть надпись «ввод от ЭРЩ». Этот ввод выполнен электрическими цепями, посредством которых соединили ЭРЩ и данный КЩ. Вот эти электрические цепи и относят к распределительным электрическим цепям.

« В электроустановке индивидуального жилого дома, а также в электроустановке многоквартирного жилого здания, которые подключены к воздушным линиям электропередачи, распределительными электрическими цепями являются электрические цепи ввода, соединяющие провода ответвления от ВЛ к вводу с вводными зажимами ВРУ или вводного устройства и обычно представляющие собой кабели (провода) ввода. Если в электроустановке индивидуального жилого дома помимо ВРУ установлены другие низковольтные распределительные устройства, например этажные распределительные щитки, то электрические цепи, посредством которых их подключают к ВРУ, также являются распределительными электрическими цепями. »
[2]
Список использованной литературы
- СП 437.1325800.2018
 - Харечко Ю.В. Краткий терминологический словарь по низковольтным электроустановкам. Часть 2// Приложение к журналу «Библиотека инженера по охране труда». – 2012. – № 4. – 160 c.;
 
