Рассмотрим примеры применения устройств защиты от импульсных перенапряжений (УЗИП) в электроустановках зданий, соответствующих типу заземления системы TT, которые предусмотрены стандартом МЭК 60364-5-53:2020. Примеры применения УЗИП в электроустановках зданий, приведены в приложении C данного стандарта. Рассмотрим эти примеры ниже.
С.1 Система TT. Трехфазный источник питания с нейтралью.

На рисунке С.1 следующие обозначения:
- 1 – низковольтный распределительный щит;
- 2 – трансформатор ВН/НН;
- 3 – электрооборудование/электроустановка;
- 4 – главный заземляющий зажим;
- 5 – промежуточный заземляющий зажим;
- 6 – сборка УЗИП;
- УЗС1 – устройство защиты от сверхтока на вводе электроустановки;
- УЗС2 – устройство защиты от сверхтока при необходимости;
- УЗИП – устройство защиты от импульсных перенапряжений;
- УДТ – устройство дифференциального тока.
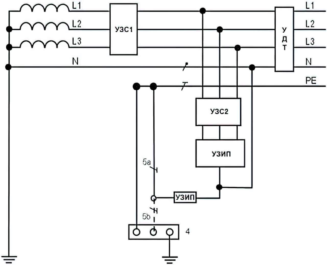
Ниже рассмотрим немного другой пример (смотрите рисунок C.2). На рисунке можно видеть пример установки УЗИП с типом соединения CT2 на стороне питания до главного УДТ в системе TT.

На рисунке C.2 следующие обозначения:
- 4 – главный заземляющий зажим;
- 5a, 5b – заземляющее соединение УЗИП, 5a и/или 5b (при необходимости);
- УЗС1 – устройство защиты от сверхтока на вводе электроустановки;
- УЗС2 – устройство защиты от сверхтока при необходимости;
- УЗИП – устройство защиты от импульсных перенапряжений;
- УДТ – устройство дифференциального тока.
Далее рассмотрим рисунок С.3 – пример установки сборки УЗИП на стороне нагрузки после главного УДТ в системе TT.

На рисунке C.3 обозначено:
- 1 – низковольтный распределительный щит;
- 2 – трансформатор ВН/НН;
- 3 – электрооборудование/электроустановка;
- 4 – главный заземляющий зажим;
- 5 – промежуточный заземляющий зажим;
- 6 – сборка УЗИП;
- УЗС1 – устройство защиты от сверхтока на вводе электроустановки;
- УЗС2 – устройство защиты от сверхтока при необходимости;
- УЗИП – устройство защиты от импульсных перенапряжений;
- УДТ – устройство дифференциального тока

На рисунке C.4. показаны:
- 4 – главный заземляющий зажим;
- 5a, 5b – заземляющее соединение УЗИП, 5a и/или 5b (при необходимости);
- УЗС1 – устройство защиты от сверхтока на вводе электроустановки;
- УЗС2 – устройство защиты от сверхтока при необходимости;
- УЗИП – устройство защиты от импульсных перенапряжений;
- УДТ – устройство дифференциального тока.
Заключение от Харечко Ю.В: при подготовке национального стандарта на основе стандарта МЭК 60364-5-53 (примечание от автора статьи: сейчас действует ГОСТ Р 50571.5.53-2013) следует корректно воспроизвести его требования, исправить ошибки, устранить недостатки.
