Основным предназначением защитных проводников является обеспечение защиты от поражения электрическим током. Поэтому на стадии проектирования электроустановок зданий следует корректно формировать, а на стадии монтажа правильно выполнять их электрические цепи. Рассмотрим правильное построение электрических цепей защитных проводников в электроустановках зданий, которые соответствуют типам заземления системы TN-S, TN-C-S и TT. Ниже на рис. 1–3 показаны фрагменты однофазных и трёхфазных вводно-распределительных устройств (ВРУ).
В системах TN-S (рисунки 1 и 2) защитные проводники линий электропередачи присоединяют к вводным защитным зажимам ВРУ. Эти зажимы соединяют с защитными шинами PE вводно-распределительных устройств, которые присоединены к главным заземляющим шинам электроустановок зданий. Защитные проводники распределительных и конечных электрических цепей в электроустановках зданий «начинаются» на защитных шинах вводно-распределительных устройств.


На рисунках 1 и 2 показано:
- QF1 – вводной автоматический выключатель;
- PI – счетчик электрической энергии;
- ГЗШ – главная заземляющая шина.
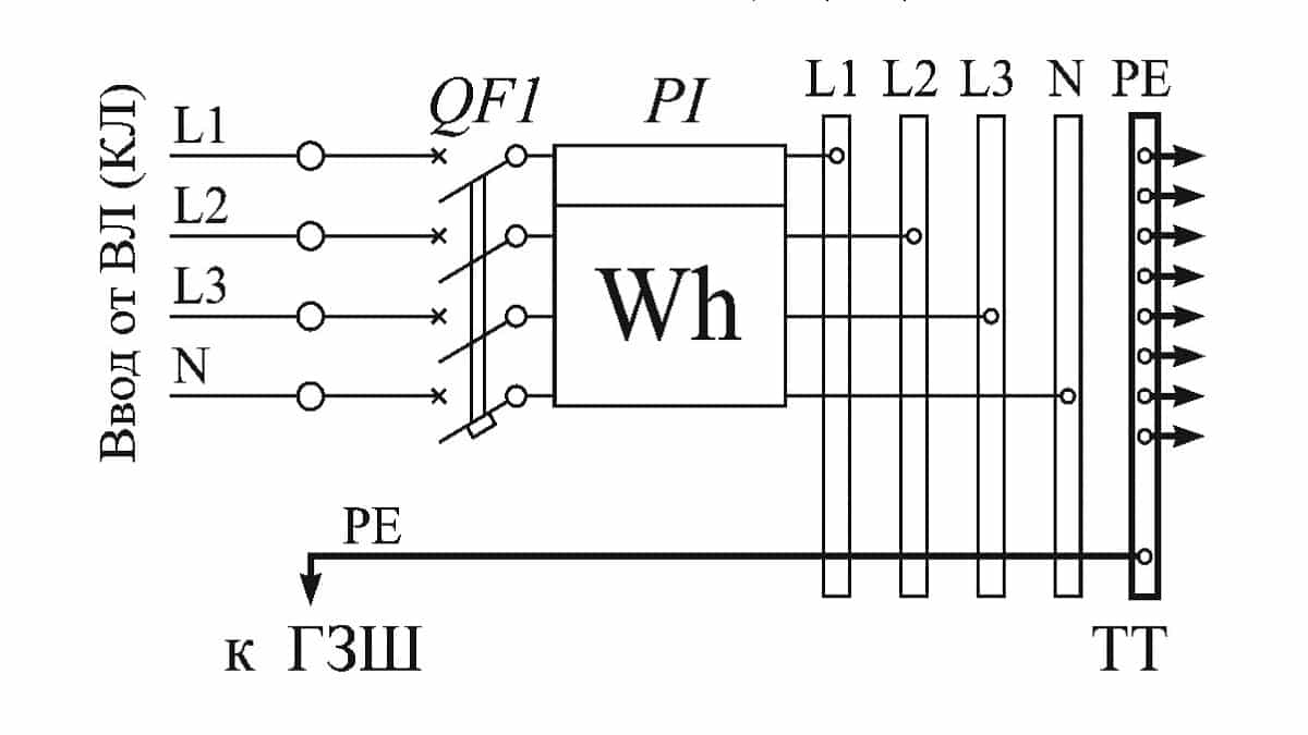
В системах TN-C-S (рисунки 3 и 4) РЕN-проводники линий электропередачи присоединяют к вводным защитным зажимам ВРУ, на которых выполняют разделение РЕN-проводников на защитные и нейтральные проводники. Защитные зажимы соединяют с защитными шинами PE вводно-распределительных устройств, которые присоединены к главным заземляющим шинам электроустановок зданий. Защитные проводники распределительных и конечных электрических цепей в электроустановках зданий «начинаются» на защитных шинах ВРУ.


На рисунках 3 и 4 показано:
- QF1 – вводной автоматический выключатель;
- PI – счетчик электрической энергии;
- ГЗШ – главная заземляющая шина.
В системах TT (рисунки 5 и 6) линии электропередачи включают в себя только фазные и нейтральные проводники. Защитные проводники распределительных и конечных электрических цепей в электроустановках зданий «начинаются» на защитных шинах PE вводно-распределительных устройств, которые должны быть присоединены к главным заземляющим шинам электроустановок зданий.


На рисунках 5 и 6 показано:
- QF1 – вводной автоматический выключатель;
- PI – счетчик электрической энергии;
- ГЗШ – главная заземляющая шина.
Список использованной литературы
- Харечко Ю.В. Краткий терминологический словарь по низковольтным электроустановкам. Часть 1// Приложение к журналу «Библиотека инженера по охране труда». – 2011. – № 3. – 160 c.
- Харечко Ю.В. Основы заземления электрических сетей и электроустановок зданий. 6-е изд., перераб. и доп. – М.: ПТФ МИЭЭ, 2012. – 304 с.
