При подключении нескольких электроустановок зданий к одному источнику питания, у которого заземлена часть, находящаяся под напряжением, можно реализовать четыре типа заземления системы: TN-C, TN-C-S, ТТ и TN-S. На рисунке 1 в статье «Как реализовать системы TN-C, TN-C-S и TT при подключении к одной распределительной электрической сети?» уже было показано, как формируются типы заземления системы TN-C, TN-C-S и ТТ при подключении трех электроустановок зданий к одной низковольтной распределительной электрической сети. Систему TN-S также можно реализовать при подключении электроустановки здания к источнику питания, входящему в состав этой же распределительной электрической сети. Однако указанное подключение следует выполнить с помощью собственной линии электропередачи.
На рисунке 1 условно показано формирование двух типов заземления системы — TN-C-S и TN-S, при подключении двух электроустановок зданий — трёхфазной электроустановки здания и однофазной электроустановки здания из металла с помощью двух различных линий электропередачи к одному источнику питания — трансформатору, имеющему заземленную нейтраль и размещенному на понижающей трансформаторной подстанции. Посредством третьей линии электропередачи к этому источнику питания можно также подключить третью электроустановку здания с типом заземления системы TT.

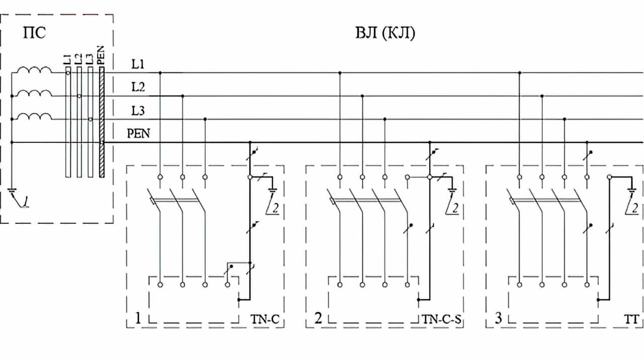
На рисунке 1 показано:
- 1 — заземляющее устройство источника питания;
- 2 — заземляющее устройство электроустановок зданий.
Низковольтная линия электропередачи, входящая в состав системы распределения электроэнергии с типом заземления системы TN-C-S, имеет PEN-проводник. При подключении к этой линии электропередачи других электроустановок зданий можно также реализовать системы TN-C и ТТ, как показано на рисунке 2.

Если в какой-либо системе распределения электроэнергии требуется реализовать тип заземления системы TN-S, то необходимо обеспечить соединение открытых проводящих частей электроустановки здания с заземленной частью, находящейся под напряжением источника питания с помощью защитных проводников. При этом защитные проводники должны пронизывать всю электрическую систему. То есть они должны быть и в электроустановке здания, и в низковольтной линии электропередачи.
Поэтому в отличие от линий электропередачи, которые входят в состав систем TN-C, -TN-C-S и имеют фазные проводники и PEN-проводники, а также линий электропередачи, которые входят в состав системы ТТ и имеют фазные проводники и нейтральные проводники, низковольтные линии электропередачи в системах TN-S помимо фазных проводников должны иметь и защитные проводники, и нейтральные проводники.
Как известно, в черте плотной городской застройки очень сложно реализовать тип заземления системы ТТ. Поэтому в большинстве случаев вариант формирования системы TN-S, представленный на рисунке 1, является единственно возможным, когда необходимо обеспечить электроэнергией электроустановку здания из металла1. Иными словами, на территории города подключение электроустановок зданий из металла к существующим низковольтным распределительным электрическим сетям возможно только при строительстве новых линий электропередачи, которые имеют в составе своих проводников отдельный защитный проводник PE.
Примечание 1 от Харечко Ю.В. из книги [1]:
В требования ГОСТ Р 50669-94 целесообразно внести изменения, допускающие использование системы TN-C-S для электроустановок зданий из металла. Тогда их подключения к существующим распределительным электрическим сетям не будут сопровождаться необходимостью решения сложных технических проблем. Здания, выполненные из металла, могут иметь стеснённые помещения с проводящими полами, стенами и потолками.
Список использованной литературы
- Харечко Ю.В. Основы заземления электрических сетей и электроустановок зданий. 6-е изд., перераб. и доп. – М.: ПТФ МИЭЭ, 2012. – 304 с.
